Eğik Bilyalı Rulman
Tek sıralı eğik bilyalı rulmanlar
7000C, 7000AC, 7000A, 7000B
Kombine eğik bilyalı rulman
Yüz yüze (DB), sırt sırta (DF), tandem (DT), üçlü
Çift sıralı eğik bilyalı rulmanlar
Dört nokta temaslı bilyalı rulman
QJ0000, QJF0000
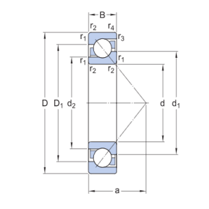
Tek sıralı eğik bilyalı rulmanlar, bir dış halka, bir iç halka, bir dizi çelik bilya ve bir kafesten oluşur. Bu tip rulman aynı anda radyal yük ve eksenel yük taşıyabilir, ayrıca saf eksenel yük taşıyabilir ve daha yüksek hızlarda çalışabilir. Temas açısı sıfır değil. Tek sıralı eğik bilyalı rulmanların standart temas açıları 15°, 25°, 30°, 40°'dir.
Eğik Bilyalı Rulman Özellikleri
Başlık |
7311 |
İç çap (d) |
55 mm |
Dış çap (D) |
120 mm |
Kalınlık (T) |
29 AA |
ağırlık |
1,40 Kg |
Eğik Bilyalı Rulman
|| ||
Eğik Bilyalı Rulman
Rulmanların tespiti ile ilgili olarak, her türün kendi farklı algılama sistemi vardır; algılama prosedürü kabaca aynıdır. Muayenenin nihai sonucu, üretilen her şeyin olağan ihtiyaçları karşılamasını sağlamak, böylece rulmanın özelliklerini geliştirmek ve rulman sağlayıcısının yaşam tarzını uzatmaktır. denemek çok önemli.
Öğeleri kontrol edin: Eğik Bilyalı Rulman; haddeleme detay uzunluğu ve profili; iç çap boyutu ve profili; dış çap ölçüsü ve profili; kafes boyutu; toplantıdan sonra montaj yüksekliği ve boşluk;
Farklı boyutlardaki rulmanlar farklı tercih edilen toleranslara sahiptir.
Aşağıdakiler ilgili ölçüm cihazlarıdır:

2014 yılı içerisinde ev tipi rulman fuarları, makine fuarları, hırdavat eklentileri fuarları, madencilik makinaları ve diğer fuarlarda işbirliği yaptığımızı düşünürsek;
Aynı zamanda, denizaşırı sergilere katılın: güneydoğu asya sergileri, güney amerika sergileri, orta doğu sergileri, rus sergileri vb. dahil;
Sergiye katılın, pazarın rulman talebini anlayın, ilgili ürünleri sunun ve kendi rekabet güçlerini sürekli olarak geliştirin.

İlgili Haberler
Başarıyla gönderildi
En kısa zamanda sizinle iletişime geçeceğiz




