Tek Sıralı Konik Makaralı Rulman 30207
Konik makaralı rulmanlar, bir pencere kafesindeki konik makaraların yanı sıra konik kanallara sahip bir dış ve iç halkadan oluşur.
Konik makaralı rulmanlar, çoğunlukla radyal yükler olmak üzere birleşik radyal ve eksenel yükleri taşımak için kullanılır. Eğik bilyalı rulmanlarla karşılaştırıldığında, daha büyük yük kapasitesine ve daha düşük limit hıza sahiptir. Konik makaralı rulmanlar, tek yönde eksenel yüklere dayanabilir ve milin veya yatağın eksenel yer değiştirmesini tek yönde sınırlayabilir.
Yataktaki yuvarlanma elemanlarının sıra sayısına göre tek sıralı, çift sıralı ve dört sıralı konik makaralı rulmanlara ayrılır. Tek sıralı konik makaralı rulmanların boşluğu, kurulum sırasında kullanıcı tarafından ayarlanmalıdır; çift sıralı ve dört sıralı konik makaralı rulmanların boşlukları, kullanıcı gereksinimlerine göre fabrikada ayarlanmıştır ve herhangi bir kullanıcı ayarı gerekmez.
Konik makaralı rulmanlar, otomobiller, haddehaneler, madencilik, metalurji ve plastik makineler gibi sektörlerde yaygın olarak kullanılmaktadır.
Tek Sıralı Konik Makaralı Rulman 30207
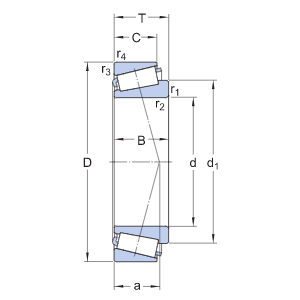
Resmi Tek Sıralı Konik Makaralı Rulman 30207
Parametre Tek Sıralı Konik Makaralı Rulman 30207
Delik çapı (d) |
35mm |
Dış çap (D) |
72mm |
Genişlik (B) |
17mm |
Temel dinamik yük değeri Cr |
63.2 KN |
Temel statik yük değeri Cor |
56 KN |
Ağırlık |
≈ 0,33 kg |
Ambalaj Tek Sıralı Konik Makaralı Rulman 30207
1. Toplu paketleme = basit paketleme ve ekonomik maliyet;
2. Nötr marka = marka yok/markanız, beyaz tekli kutu;
3. HGF marka, TCV marka, UGK marka, kendi markamız olan ambalaj kutusu;
4. OEM, marka kutunuzu özelleştirmeyi kabul edin;
Üretim Hakkında
HGF fabrikası, 30000 metrekare, 2000 metrekare atölyeleri kapsayan 2008 yılında inşa edilmiştir;
Ürünlerimiz ISO 9001, CE, SGS sertifikaları vb. geçti; 120'den fazla ülke ve dünyada 50'den fazla marka temsilcisi ihraç etmiş;
Bizim avantajımız:
Mükemmel çelik hammaddesini seçin;
3 üretim hattı ve 60 takım makine, çeşitli tipte rulmanlar üretmekte ve monte etmektedir;
Yüksek hassasiyetli test ekipmanı; 20 profesyonel kalite kontrol ekibi;
1000M² paketleme atölyesi; 4 paketleme ekibi;
Akıllı depolama, farklı tip ve boyutlardaki rulmanlar ayrı ayrı depolanır.
Zengin ihracat deneyimi, daha iyi nakliye önerisi sunar;
BİZE ULAŞIN:
MIKE GUO:
TEL: 0086 531 82890388
E-POSTA: hgzc@hgzc.com ;
WHATSAPP & WECHAT: 0086 18805311522
SKYPE: canlı:jnbearing_1
Bizi seçtiğiniz için teşekkürler!!!
İlgili Haberler
Başarıyla gönderildi
En kısa zamanda sizinle iletişime geçeceğiz









